ИИ становится технологом: как нейросеть ускорила расчёт сметы на деталь до 3 минут
В машиностроении скорость расчёта сметы на изготовление детали всё ещё зависит от того, насколько быстро технолог разберёт чертёж. Файлы приходят в PDF, сканированных листах и фотографиях, и большая часть работы держится на людях.Поэтому запрос на ИИ для чтения чертежей растёт: предприятия ищут способ сократить сроки и убрать рутину. Команда NeuroCore разработала систему, которая разбирает документ так же внимательно, как технолог, и позволяет считать стоимость в разы быстрее. С 4-8 часов до 4 минут.
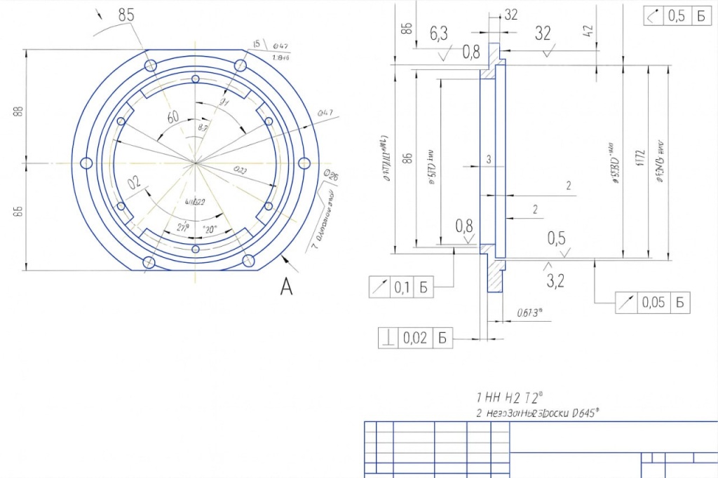
Мы разработали систему, которая принимает PDF или скан чертежа — даже с заметками, артефактами или слабым качеством — и выдаёт структурированные данные, готовые для расчёта себестоимости и технологической подготовки производства.

Что умеет система:
- Распознаёт проекции и виды.
Определяет, какие поверхности и элементы относятся к основной, боковой или дополнительной проекции. - Считывает информацию из штампа.
Наименование детали, материал, масса, обозначения — всё извлекается автоматически и приводится к единому формату. - Выделяет размеры и допуски.
Определяются линейные размеры, квалитеты, предельные отклонения, углы, диаметры и другие параметры, влияющие на расчёт. - Читает технические требования.
Распознаёт обозначения шероховатости, типы резьбы, условные графические элементы и связанные с ними примечания. - Определяет тип детали.
Автоматически классифицирует деталь по форме и типу обработки — цилиндр, призматическая форма, тело вращения и т. д.
С точки зрения инженера это полноценный инструмент, который можно включить в работу без перестройки процессов.
.jpg)
Технические вызовы для команды NeuroCore
Точность распознавания 97% не появилась сразу. По мере погружения в проект, мы столкнулись с типичными для машиностроения и смежных отраслей ситуациями:
1. Нестандартная структура чертежей
На части документов штамп занимал не свой привычный угол, а всю нижнюю полосу листа. В этих случаях система ошибалась: путала поля, неправильно размечала блоки.
Мы расширили выборку для обучения детекции: добавили десятки шаблонов, разные ГОСТ-вёрстки, старые заводские форматы. После этого модель уверенно распознаёт расположение элементов независимо от композиции.
2. Слабое качество сканов
Многие чертежи давались в виде старых PDF или копий, которые проходили несколько пересъёмок. Текст съезжал, линии терялись, стандартный OCR не справлялся.
Мы подготовили обновлённую OCR-модель, обученную на сложном датасете: от чистых векторных документов до черновых сканов с артефактами. Распознавание стало стабильнее даже на “тяжёлых” примерах.
3. Переход от правил к полноценной детекции
Ряд элементов, например, обозначения шероховатости, сильно разнится от чертежа к чертежу. Эвристики вроде поиска «Ra» или «Rz» давали результат, но не могли обеспечить стабильность.
Мы ушли от набора правил и обучили отдельную модель, которая детектирует графическое обозначение как объект. Это избавило систему от зависимости от стиля оформления и улучшило точность в реальных условиях.
Эффект для предприятия
- технологи перестали тратить время на разбор документа и делают только проверку;
- предприятия, которые пользуются платформой с нашим решением, получили возможность обрабатывать кратно больше заявок;
- расчёты стали стабильными, не зависящими от человеческого фактора, усталости и разных интерпретаций специалистов;
- пропал “ручной хаос” из разрозненных заметок и таблиц.
ИИ-решение от NeuroCore не призвано заменить инженеров, а призвано освободить их от рутинной работы, которая никогда не была творческой и развивающей.
Теперь расчет стоимости занимает не 4-6-8 часов, а 4-6 минут, становится предсказуемым, быстрым и одинаковым по качеству независимо от опыта, настроения или внимательности инженера.
Благодарим за то, что прочли статью до конца!
На своем сайте делимся интересными кейсами внедрения ИИ в промышленность, логистику и другие предприятия. Ознакомиться с кейсами можно по ссылке.
Интересуетесь практическим применением ИИ? Подписывайтесь на наш канал
Telegram: t.me/neurocore
А заказать ИИ-решение на основе машинного зрения можно на сайте https://neuro-core.ru/
